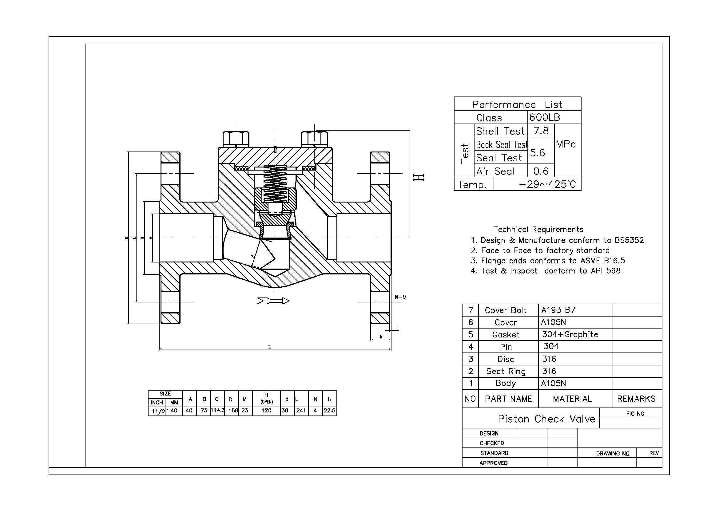
Description
Design and manufacture conform to BS5351,MSS SP-118
Connection ends conform to:
1.Socket welded ends conform to ANSI B16.11
2.Screw ends conform to ANSI B1.20.1
3.Butt-welded ends conform to ANSI B16.25
4.Flange ends conform to ANSI B16.5
5.Test and inspection conform to :API 598
Structure features:
Bolted bonnet,Welded bonnet,Pressure seal bonnet
Forged Steel,Piston,Ball or Swing type
Integral Body Seat for Piston and Ball Check valves
Separated Seat Ring design for swing check valves
Spiral Wound Gasket or Oval Ring Joint gasket
Reduced Bore or Full Port,
T-Pattern or Y-Pattern,
Product Range
Body material: A105,LF2,F5,F11,F22,304,304L,316,316L,F51,F91,20#,Inconel .Ect
Nominal diameter:1/2″~2″(DN15~DN50)
End Connection: THR,SW,BW,RF,RTJ
Working temperature: -196℃~+560℃











