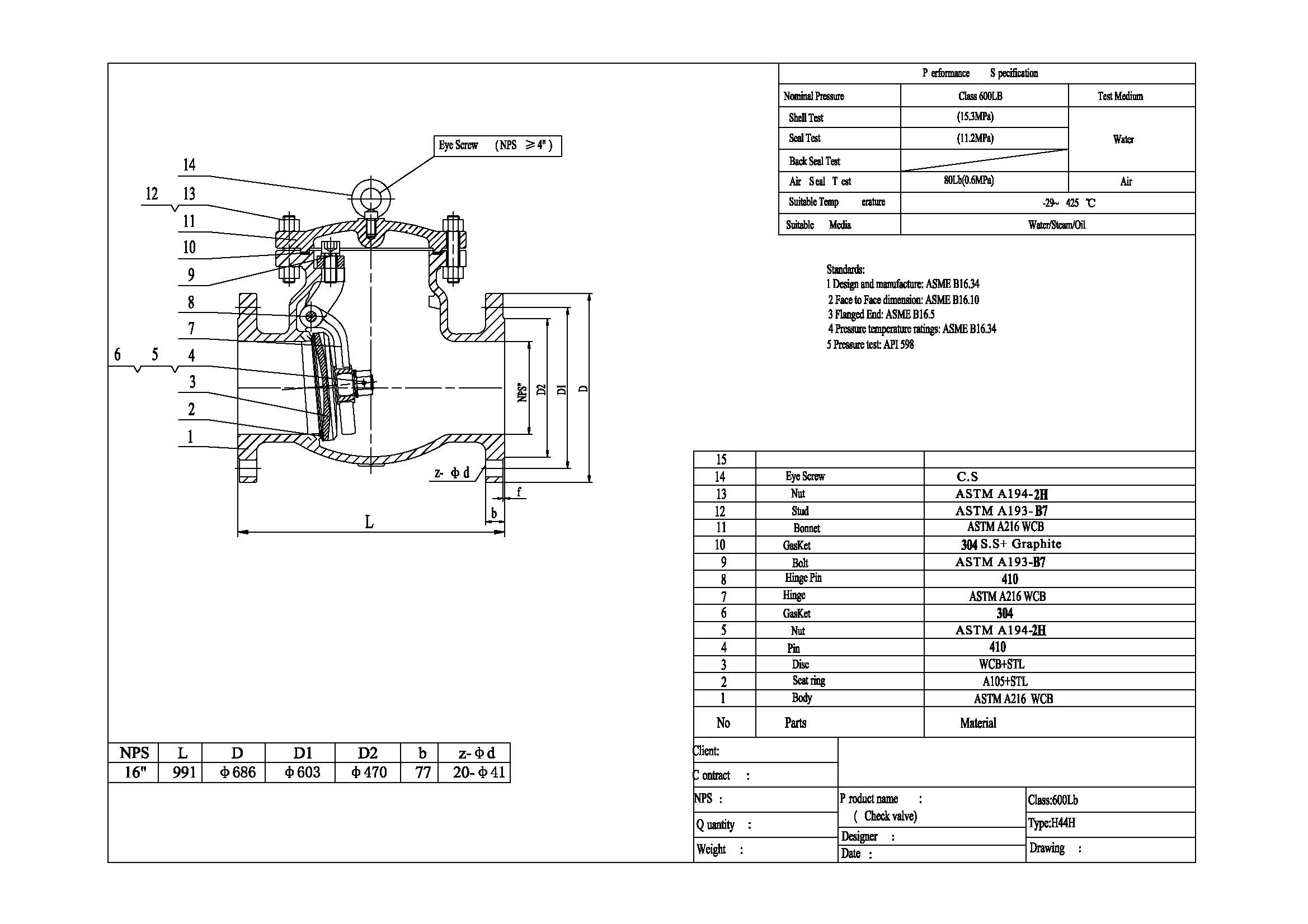
Description
Design and Manufacture: BS 1868,ASME B16.34,API 6D
Inspection and Test:API598,API600 or API 6D
End Flange Dimension:ASME B16.5(for NPS≤24,ASME B 16.47 series B,API 605,ASME B16.47 A Series,MSS SP-44(for NPS>24)
BW end Dimension:ASME B16.25
Face to Face and End to End:ASME B16.10
Pressure-temperature ratings:ASME B16.34
Wall Thickness Dimension:API 600,BS 1868
Product Range
Body material: carbon steel, stainless steel, alloy steel,bronze
Nominal diameter:1/2″~48″(DN15~DN1200)
End Connection: RF,RTJ, BW
Pressure range: Class150~2500(PN16~PN420)
Working temperature:-196℃~+560℃
China Check Valve,Flanged Check Valve,API Check Valve,Stainless Steel Check Valve,Swing Check Valve,Carbon Steel Check Valve,Cast Steel Swing Check Valve,600LB Swing Check Valve,18 Inch Swing Check Valve manufacturer










