Description
Features:
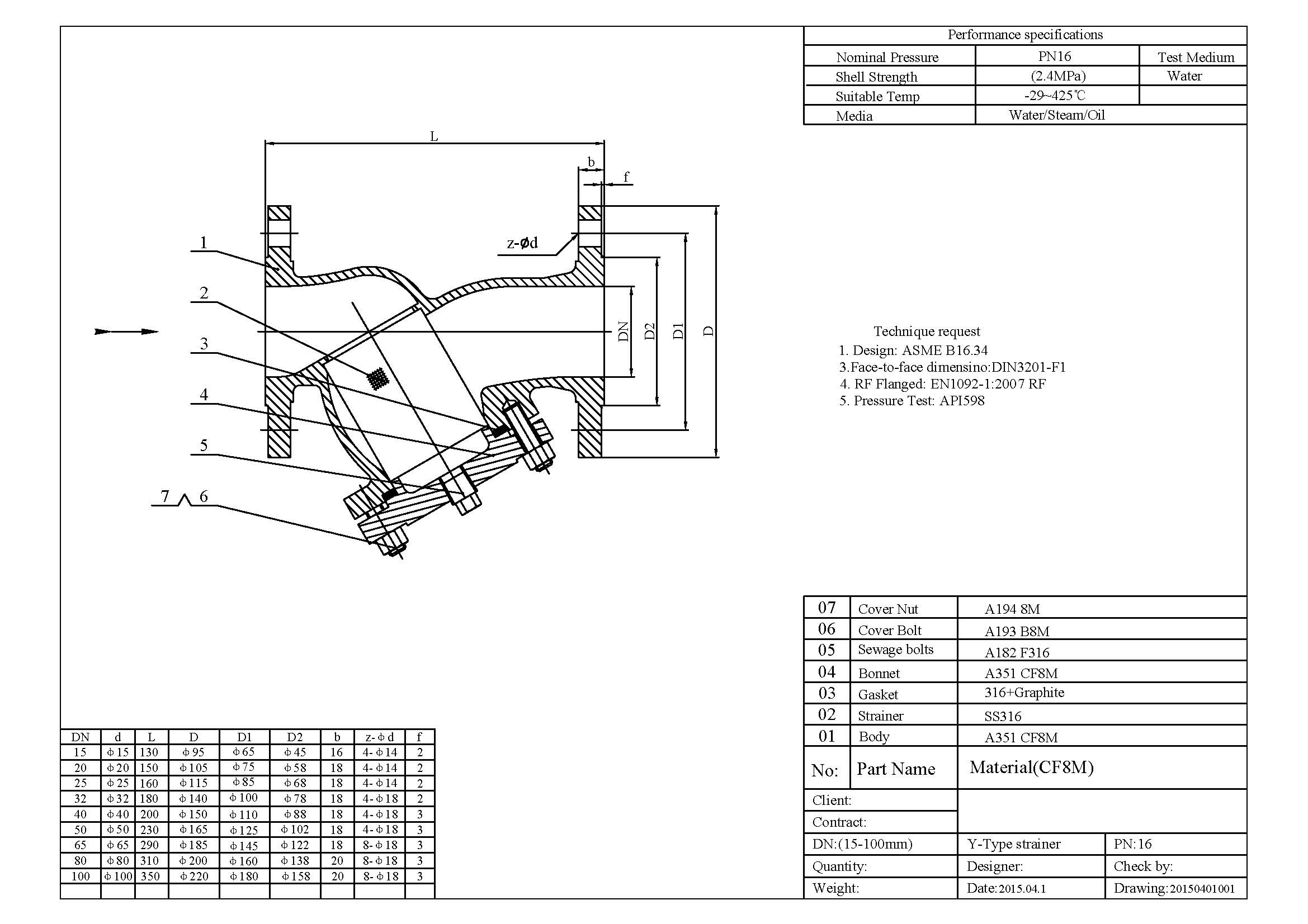
Size range : DN15-DN400
Class: PN16-PN40
Temperature : -29 ℃-425 ℃
Materials : WCB, WC6,SS304,SS316,SS316L
Medium : Steam, gases, hot water, thermal fluids, hot oil, process water, vacuum facilities, ammonia etc.(other flow media on request)
Application: Industry, Powerstations, Flue gas purification plant, processing technology, gas supply, vapour facilities, recycling facilities, vacuum facilities, hot water, heating technology, district heating, thermal oil applications, general plant manufacturing, etc. (other applications on request)
Standards
Design&manufacture standard conforms to DIN EN13709:2003
Face to face standard conforms to DIN3202 / EN 558-1:1995
Flange standard conforms to DIN2543-2545 /EN 1092-1:2002
Test conforms to DIN 3230 / EN 12266:2003











