Thiết bị công nghiệp
- Bao bì - Đóng gói
- Bảo hộ lao động
- Bơm công nghiệp
- Bùlon ốc vít
- Cân các loại
- Cao su, Nhựa các loại
- Chuyển giao công nghệ
- Cửa - kính các loại
- Dầu khí - Thiết bị
- Dây chuyền sản xuất
- Dệt may - Thiết bị
- Dầu mỡ công nghiệp
- Dịch vụ - Thi công
- Điện công nghiệp
- Điện gia dụng
- Điện Lạnh
- Đóng tàu Thiết bị
- Đúc chính xác Thiết bị
- Dụng cụ cầm tay
- Dụng cụ cắt gọt
- Dụng cụ điện
- Dụng cụ đo
- Gỗ - Trang thiết bị
- Hàn cắt - Thiết bị
- Hóa chất-Trang thiết bị
- Kệ công nghiệp
- Khí nén - Thiết bị
- Khuôn mẫu - Phụ tùng
- Lọc công nghiệp
- Máy công cụ - Phụ tùng
- Mỏ - Trang thiết bị
- Mô tơ - Hộp số
- Môi trường - Thiết bị
- Nâng hạ - Trang thiết bị
- Nội - Ngoại thất - văn phòng
- Nồi hơi - Trang thiết bị
- Nông nghiệp - Thiết bị
- Nước-Vật tư thiết bị
- Phốt cơ khí
- Sắt, thép, inox các loại
- Thí nghiệm-Trang thiết bị
- Thiết bị chiếu sáng
- Thiết bị chống sét
- Thiết bị an ninh
- Thiết bị công nghiệp
- Thiết bị công trình
- Thiết bị điện
- Thiết bị giáo dục
- Thiết bị khác
- Thiết bị làm sạch
- Thiết bị sơn - Sơn
- Thiết bị nhà bếp
- Thiết bị nhiệt
- Thiêt bị PCCC
- Thiết bị truyền động
- Thiết bị văn phòng
- Thiết bị viễn thông
- Thủy lực-Thiết bị
- Thủy sản - Trang thiết bị
- Tự động hoá
- Van - Co các loại
- Vật liệu mài mòn
- Vật liệu xây dựng
- Vòng bi - Bạc đạn
- Xe hơi - Phụ tùng
- Xe máy - Phụ tùng
- Xe tải - phụ tùng
- Y khoa - Trang thiết bị
Sản phẩm VIP cùng nhóm
DANH MỤC SẢN PHẨM
» Thiết bị công nghiệp
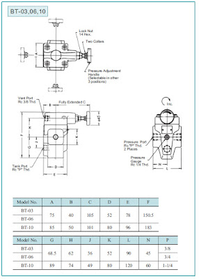
Van An Toàn BT,BG-03,06,10 Series
LIÊN HỆ MUA HÀNG
THÔNG SỐ KỸ THUẬT
Giới thiệu van an toàn thủy lực BT/BG-03,06,10 series
- Remote Control Relief Valves are used for hydraulic pressure control valve(Relief Valve, Pressure Reducing Valve) by remote control.
- Relief Valve is used to protect hydraulic system from excessive pressure and can also be used to maintain a constant pressure in the hydraulic system.
Thông số kỹ thuật van an toàn thủy lực BT/BG-03,06,10 series




Sản phẩm doanh nghiệp: CÔNG TY TNHH THIẾT BỊ CÔNG NGHIỆP GIA PHÚ
CÔNG TY TNHH THIẾT BỊ CÔNG NGHIỆP GIA PHÚ
0941999191
587 Minh Khai, Hai Bà Trưng , Hà Nội
thietbicongnghiepgiaphu@gmail.com
http://thietbicongnghiepgiaphu.vn
CÔNG TY TNHH THIẾT BỊ CÔNG NGHIỆP GIA PHÚ
VPGD: 587 Minh Khai, P.Vĩnh Tuy, Q.Hai Bà Trưng, TP. Hà Nội
MST: 0107586154
EMAIL: thietbicongnghiepgiaphu@gmail.com
PHONE: 0941.399.191 - 0979.306.623
WEBSITE:
- http://thietbicongnghiepgiaphu.com/
- http://thietbicongnghiepgiaphu.vn/
-
Van điện từ CKD 4F110-06-E
[Mã: G-33341-621] [xem: 1813]
[Nhãn hiệu: CKD - Xuất xứ: Nhật Bản]
[Nơi bán: Hồ Chí Minh]
2018-08-23 15:40:16] Mua hàngCÔNG TY TNHH SX TM DV XNK WELLTECH (YONGYI)

0786 525 666
yongyivn@gmail.com
Số 27 Đường số 72 TML, P. Thạnh Mỹ Lợi, Tp. Thủ Đức, Tp. HCM, VN -
Đầu nối SMC KSL08-03S
[Mã: G-33341-315] [xem: 2172]
[Nhãn hiệu: SMC - Xuất xứ: Nhật Bản]
[Nơi bán: Hồ Chí Minh]
2018-04-14 09:13:19] Mua hàngCÔNG TY TNHH SX TM DV XNK WELLTECH (YONGYI)

0786 525 666
yongyivn@gmail.com
Số 27 Đường số 72 TML, P. Thạnh Mỹ Lợi, Tp. Thủ Đức, Tp. HCM, VN -
Fitting SMC KSL10-02S, KQ2H06-03AS, AS1201F-M3-04, KQ2V08-03AS, KQ2VF12-04AS
[Mã: G-42208-408] [xem: 1310]
[Nhãn hiệu: SMC - Xuất xứ: JAPAN]
[Nơi bán: Hồ Chí Minh]
2019-11-21 11:09:54] Mua hàngCTY TNHH TM DV XNK WELLTECH VN

0773881419
welltechvn1@gmail.com
Số 27 Đường 72-TML, Khu phố 1, Phường Thạnh Mỹ Lợi, TP Thủ Đức, TPHCM -
ATOS DHZO-TE-071-S5 40
[Mã: G-42208-399] [xem: 1192]
[Nhãn hiệu: ATOS - Xuất xứ: Ý]
[Nơi bán: Hồ Chí Minh]
2019-11-21 10:51:25] Mua hàngCTY TNHH TM DV XNK WELLTECH VN

0773881419
welltechvn1@gmail.com
Số 27 Đường 72-TML, Khu phố 1, Phường Thạnh Mỹ Lợi, TP Thủ Đức, TPHCM -
Van điện từ CKD 4GD139R-C6-A-3
[Mã: G-33341-641] [xem: 1716]
[Nhãn hiệu: CKD - Xuất xứ: Trung Quốc]
[Nơi bán: Hồ Chí Minh]
2018-08-24 11:21:21] Mua hàngCÔNG TY TNHH SX TM DV XNK WELLTECH (YONGYI)

0786 525 666
yongyivn@gmail.com
Số 27 Đường số 72 TML, P. Thạnh Mỹ Lợi, Tp. Thủ Đức, Tp. HCM, VN -
CKD SSD2-L-12-10-N-W1
[Mã: G-42208-334] [xem: 2209]
[Nhãn hiệu: CKD - Xuất xứ: NHẬT]
[Nơi bán: Hồ Chí Minh]
2019-10-22 11:30:58] Mua hàngCTY TNHH TM DV XNK WELLTECH VN

0773881419
welltechvn1@gmail.com
Số 27 Đường 72-TML, Khu phố 1, Phường Thạnh Mỹ Lợi, TP Thủ Đức, TPHCM -
Xy lanh FESTO DSNU-40-60-PPV-MQ 193993
[Mã: G-33341-531] [xem: 1611]
[Nhãn hiệu: FESTO - Xuất xứ: Đài Loan]
[Nơi bán: Hồ Chí Minh]
2018-08-17 13:27:37] Mua hàngCÔNG TY TNHH SX TM DV XNK WELLTECH (YONGYI)

0786 525 666
yongyivn@gmail.com
Số 27 Đường số 72 TML, P. Thạnh Mỹ Lợi, Tp. Thủ Đức, Tp. HCM, VN -
Đầu nối (SMC) ZU07S
[Mã: G-42208-24] [xem: 1703]
[Nhãn hiệu: SMC - Xuất xứ: nhật bản]
[Nơi bán: Hồ Chí Minh]
2019-05-16 09:16:03] Mua hàngCTY TNHH TM DV XNK WELLTECH VN

0773881419
welltechvn1@gmail.com
Số 27 Đường 72-TML, Khu phố 1, Phường Thạnh Mỹ Lợi, TP Thủ Đức, TPHCM -
SMC CXSM10-25
[Mã: G-42208-238] [xem: 2197]
[Nhãn hiệu: SMC - Xuất xứ: NHẬT]
[Nơi bán: Hồ Chí Minh]
2019-10-12 08:52:49] Mua hàngCTY TNHH TM DV XNK WELLTECH VN

0773881419
welltechvn1@gmail.com
Số 27 Đường 72-TML, Khu phố 1, Phường Thạnh Mỹ Lợi, TP Thủ Đức, TPHCM -
NỈ ÉP CÔNG NGHIỆP, TẠO LỰC CĂNG TÔN THÉP
[Mã: G-36818-27] [xem: 1992]
[Nhãn hiệu: Phương Nam - Xuất xứ: Trung Quốc]
[Nơi bán: Hồ Chí Minh]
2018-10-08 08:00:59] 200,000 Mua hàngCÔNG TY TNHH KINH DOANH DỊCH VỤ XNK PHƯƠNG NAM

0969088885
sales.xnkphuongnam@gmail.com
144/12 Hồng Lạc, P.11, Q.Tân Bình -
Khớp nối ly hợp Yongyi YOXf-750
[Mã: G-33341-169] [xem: 1396]
[Nhãn hiệu: Yongyi - Xuất xứ: Trung Quốc]
[Nơi bán: Hồ Chí Minh]
2018-04-09 08:55:45] Mua hàngCÔNG TY TNHH SX TM DV XNK WELLTECH (YONGYI)

0786 525 666
yongyivn@gmail.com
Số 27 Đường số 72 TML, P. Thạnh Mỹ Lợi, Tp. Thủ Đức, Tp. HCM, VN -
Đầu nối FESTO PK 6 150015
[Mã: G-33341-559] [xem: 1802]
[Nhãn hiệu: FESTO - Xuất xứ: Đài Loan]
[Nơi bán: Hồ Chí Minh]
2018-08-18 14:41:23] Mua hàngCÔNG TY TNHH SX TM DV XNK WELLTECH (YONGYI)

0786 525 666
yongyivn@gmail.com
Số 27 Đường số 72 TML, P. Thạnh Mỹ Lợi, Tp. Thủ Đức, Tp. HCM, VN -
desktop robots ezROBO series Iwashita, Rô bốt ezROBO Iwashita, Iwashita Vietnam
[Mã: G-14587-34] [xem: 4251]
[Nhãn hiệu: IEI, IWASHITA Nhật Bản - Xuất xứ: Japan]
[Nơi bán: Hồ Chí Minh]
2019-04-21 11:08:43] Mua hàngCÔNG TY TNHH CÔNG NGHỆ & THƯƠNG MẠI HÀ SƠN

0906 663 719 ( MR. LUÂN) -039 279 3301 (MS. DIỆU)
nguyenluan319@gmail.com
Số 69/9, Nguyễn Gia Trí, Q. Bình Thạnh, TPHCM -
Xy lanh FESTO CLR-25-20-R-P-A 535445
[Mã: G-33341-534] [xem: 1602]
[Nhãn hiệu: FESTO - Xuất xứ: Đài Loan]
[Nơi bán: Hồ Chí Minh]
2018-08-17 13:57:28] Mua hàngCÔNG TY TNHH SX TM DV XNK WELLTECH (YONGYI)

0786 525 666
yongyivn@gmail.com
Số 27 Đường số 72 TML, P. Thạnh Mỹ Lợi, Tp. Thủ Đức, Tp. HCM, VN -
Xy lanh SMC MHC2-25D
[Mã: G-33341-402] [xem: 1602]
[Nhãn hiệu: SMC - Xuất xứ: Nhật Bản]
[Nơi bán: Hồ Chí Minh]
2018-04-17 11:14:36] Mua hàngCÔNG TY TNHH SX TM DV XNK WELLTECH (YONGYI)

0786 525 666
yongyivn@gmail.com
Số 27 Đường số 72 TML, P. Thạnh Mỹ Lợi, Tp. Thủ Đức, Tp. HCM, VN -
SMC VND104DS-10A
[Mã: G-42208-555] [xem: 1203]
[Nhãn hiệu: SMC - Xuất xứ: NHẬT]
[Nơi bán: Hồ Chí Minh]
2019-11-22 13:59:30] Mua hàngCTY TNHH TM DV XNK WELLTECH VN

0773881419
welltechvn1@gmail.com
Số 27 Đường 72-TML, Khu phố 1, Phường Thạnh Mỹ Lợi, TP Thủ Đức, TPHCM -
CKD GWS6-8/K
[Mã: G-42208-194] [xem: 1696]
[Nhãn hiệu: CKD - Xuất xứ: NHẬT]
[Nơi bán: Hồ Chí Minh]
2019-10-07 09:06:05] Mua hàngCTY TNHH TM DV XNK WELLTECH VN

0773881419
welltechvn1@gmail.com
Số 27 Đường 72-TML, Khu phố 1, Phường Thạnh Mỹ Lợi, TP Thủ Đức, TPHCM -
PEPPERL+FUCHS M OJ500-M1K-E23
[Mã: G-42208-498] [xem: 1696]
[Nhãn hiệu: PEPPERL & FUCHS - Xuất xứ: ĐỨC]
[Nơi bán: Hồ Chí Minh]
2019-11-21 17:03:59] Mua hàngCTY TNHH TM DV XNK WELLTECH VN

0773881419
welltechvn1@gmail.com
Số 27 Đường 72-TML, Khu phố 1, Phường Thạnh Mỹ Lợi, TP Thủ Đức, TPHCM -
Van FESTO MN1H-2-1/4-MS 161725
[Mã: G-33341-590] [xem: 2147]
[Nhãn hiệu: FESTO - Xuất xứ: Đài Loan]
[Nơi bán: Hồ Chí Minh]
2018-08-22 10:05:17] Mua hàngCÔNG TY TNHH SX TM DV XNK WELLTECH (YONGYI)

0786 525 666
yongyivn@gmail.com
Số 27 Đường số 72 TML, P. Thạnh Mỹ Lợi, Tp. Thủ Đức, Tp. HCM, VN -
Xi lanh khí nén Yongyi STMB-25-25
[Mã: G-33341-92] [xem: 2428]
[Nhãn hiệu: Yongyi - Xuất xứ: Trung Quốc]
[Nơi bán: Hồ Chí Minh]
2018-04-07 10:53:30] Mua hàngCÔNG TY TNHH SX TM DV XNK WELLTECH (YONGYI)

0786 525 666
yongyivn@gmail.com
Số 27 Đường số 72 TML, P. Thạnh Mỹ Lợi, Tp. Thủ Đức, Tp. HCM, VN
Sản phẩm cùng nhà cung cấp
Sản phẩm xem nhiều
Sản phẩm mới (147896)
Nhà cung cấp chuyên nghiệp
Tin tuyển dụng mới
» Xem tất cả-
Cáp điều khiển, tín hiệu nhiều lõi mềm Altek Kabel
Cáp điều khiển, tín hiệu nhiều lõi mềm Altek Kabel Thương hiệu Altek Kabel...
-
Cáp chống cháy chống nhiễu 2Cx1.5mm2 - Hàng sẵn Hà Nội
Cáp chống cháy chống nhiễu 2Cx1.5mm2 - Hàng sẵn Hà Nội Cáp chống cháy...
-
U88 – Cá Cược Phong Phú, Giao Dịch Nhanh Và Ưu Đãi Liên Tiếp
U88 là nền tảng cá cược trực tuyến đáng tin cậy, được thiết kế để...
-
Cáp điều khiển chống nhiễu nhiều lõi Altek Kabel - Giá tốt tại Hà Nội
Cáp điều khiển chống nhiễu nhiều lõi Altek Kabel - Giá tốt tại Hà...
-
Cáp tín hiệu lõi xoắn, chống cháy, chống nhiễu 2x0.75, 2x1.0, 2x1.5, 2x2.5
Cáp tín hiệu lõi xoắn, chống cháy, chống nhiễu 2x0.75, 2x1.0, 2x1.5,...





0941999191





































![Sửa Máy Lạnh tại TPHCM [Trung Nam] Uy Tín – Chuyên Nghiệp – Tận Tâm](https://chodansinh.net/assets/upload/chodansinh/res/product/58690/sua-may-lanh-5zlwsKbinc.jpg)







































